深圳市宏祥鑫科技有限公司
从事FA产品的服务
网站首页
产品中心
TPC气动
模组
真空元件
运动控制器
伺服驱动器
伺服电机
新闻中心
公司新闻
行业新闻
技术知识
关于我们
联系我们
产品中心
您当前所在位置:首页
/
产品中心
/
TPC气动
/
RDSN3000系列
RDSN3000系列
RDSN3000系列
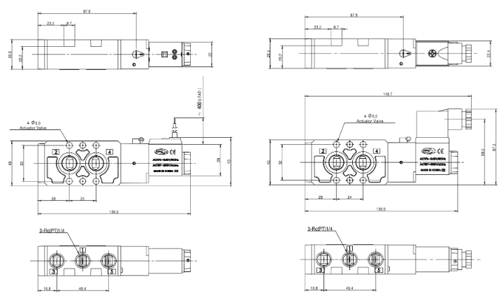
RDS3*
5 通先导式电磁阀(阀门专用)
●更换线圈方便
●体积小巧 重量轻
●大流量电磁阀,适合空气组合元件使用
所属分类 :
TPC气动
方向控制元件
浏览次数 :
...
发布时间 : 2026-01-09
查看详情
详细介绍
本文网址 : https://hongxiangxin.com/product/313.html
标签 :
上一篇 :
DS2000系列
下一篇 :
RDS5000系列
相关产品
找不到任何内容
公司首页
关于我们
产品中心
案例展示
新闻资讯
联系我们
服务热线:
18926578810
企业地址:
深圳市宝安区石岩街道塘头社区三联工业区B栋302
微信扫一扫
小程序